 |
ООО "СВ-Технология"
630032, г. Новосибирск
Горский микрорайон, д. 47, офис 99
Тел/факс: (383) 355-81-55, 308-19-46
Тел.: (383) 292-08-44, 299-60-59
e-mail: info@sv-teh.ru
www.sv-teh.ru
|
 |
Компания "Ключевой Компонент" - К2 уверенно занимает лидирующее положение среди ведущих мировых производителей устройств для защиты электрооборудования, телекоммуникационного и другого электронного оборудования от импульсных перенапряжений и помех, а также устройств контроля изоляции в сетях с изолированной нейтралью.
|
DTR 1/6 DTR 2/6
Устройства предназначены для защиты от импульсных перенапряжений (грозовых, электростатических разрядов и др.) линий последовательного интерфейса RS-485 . Данное устройство применяется при скорости передачи данных не более 1 Мбит/сек. При скоростипередачи данных более 1 Мбит/сек рекомендуется применять устройства DT 485 или DTB 485.
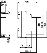
Устройства DTR 1/6, DTR 2/6 размещены в корпусе для крепления на 35мм DIN рейку. Проводники присоединяются с помощью винтовых клемм.

| Тип |
|
DT 1/6 |
DT 2/6 |
DTB 1/6 |
DTB 1/6R |
DTB 2/6 |
DTB 2/6R |
DTR 1/6 |
DTR 2/6 |
DTH 6 |
H 10/6 |
H 20/6 |
| Возможность оснащения контактом "TAMPER" |
|
- |
- |
да |
RJ45 - да
RJ12 - нет |
да
нет |
RJ45 - да
RJ12 - нет |
- |
- |
- |
- |
- |
| Количество защищаемых пар |
|
1 |
2 |
1 |
1 |
2 |
2 |
1 |
2 |
3 |
1 |
2 |
| Макс. сечение присоединяемых проводов |
|
1,5mm2 |
0,3mm2 |
1,5mm2 |
0,3mm2 |
1,5mm2 |
| Номинальное напряжение |
UN |
6 В |
| Макс. рабочее напряжение |
UC |
7,2 В |
| Номинальный ток |
IN |
100 mA |
| Вносимое сопротивление |
|
1,5 W |
| Паразитная емкость |
C |
1,5 нФ |
| Макс. имп.разрядный ток (8/20) |
Imax |
10kA |
2 kA |
10kA |
2 kA |
10kA |
| Номинальный имп.разрядный ток (8/20) |
In |
1 кА |
| Уровень защиты |
Up |
15 В |
| Уровень защиты при 1 кВ/мкс |
Up |
9 В |
| Время срабатывания |
tA |
< 30 нс |
| Скорость передачи |
|
1Mбит/сек |
| Степень защиты в соответствии с МЭК 529 |
|
IP 00 |
IP 20 |
| Рабочая температура |
J |
-40 до +80oC |
| Код по каталогу |
|
48101 |
48201 |
41101 |
41111 |
42101 |
42111 |
41301 |
42301 |
48406 |
52101 |
52201 |
|
|
 |