УЗИП серии KO предназначены для защиты от импульсных перенапряжений (грозовых, электростатических разрядов и др.) оборудования, работающего по коаксиальным линиям (50 и 75 Ом) в пределах 1 - 2 зон молниезащиты (в соответствии с МЭК 1312-1).
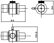
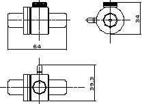
N–разъем
KO-3GN (F/F), KO-4GN (F/F)
KO–3GN (F/M), KO- 4GN (F/M)

| Тип |
Код по каталогу |
Диапазон рабочих частот |
Затухание |
Волновое сопротивление |
Передаваемая мощность |
Статическое напряжение срабатывания
(при крутизне 500 В/сек) |
KO-3GN F/F
N-разъем |
55 018 |
0-3Ггц |
<1,5Дб |
50W |
50Вт |
90B |
KO-3GN F/M
N-разъем |
55 019 |
KO-4GN F/F
N-разъем |
55 020 |
400Вт |
250В |
KO-4GN F/M
N-разъем |
55 021 |
Примечание:
М… - вилка ("папа")
F… - розетка ("мама") |
| Макс. разрядный ток |
Imax |
(8/20 мкс) 10кА |
|