 |
ООО "СВ-Технология"
630032, г. Новосибирск
Горский микрорайон, д. 47, офис 99
Тел/факс: (383) 355-81-55, 308-19-46
Тел.: (383) 292-08-44, 299-60-59
e-mail: info@sv-teh.ru
www.sv-teh.ru
|
 |
Компания "Ключевой Компонент" - К2 уверенно занимает лидирующее положение среди ведущих мировых производителей устройств для защиты электрооборудования, телекоммуникационного и другого электронного оборудования от импульсных перенапряжений и помех, а также устройств контроля изоляции в сетях с изолированной нейтралью.
|
SPUM1, SPUM1 DS
SPUM1*
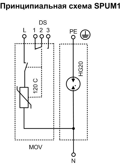
Компактные однофазные устройства серии SPU1M* соответствуют II-му классу УЗИП, согласно ГОСТ Р 51992-2002 (МЭК 61643-1-98). Применяются в низковольтных силовых распределительных системах в пределах 0В - 1 зон молниезащиты (в соответствии с МЭК 1312-1, МЭК 62305 и CO-153-34.21.122-2003). УЗИП серии SPU1M* имеют в своем составе варисторные секции (L/N) и разрядник (N/PE) и устанавливаются после УЗИП I-го класса во вводные или вторичные распределительные щиты и используются в сетях типа TNC, TNS, IT и TT. Все УЗИП этой серии снабжаются внутренними терморасцепителями, которые срабатывают при повреждении (перегреве) варисторов. Индикация состояния расцепителей осуществляется с помощью сигнальной кнопки красного цвета расположенной на корпусе устройства, а также с помощью дистанционной сигнализации (переключением «сухих» контактов) для серии SPU1M* DS.


| Тип |
|
SPU1M-240
SPU1M-240 DS |
SPU1M-280
SPU1M-280 DS |
| Класс УЗИП в соответствии с ГОСТ Р 51992-2002 |
|
II |
| Номинальное напряжение UN |
|
240 В |
385 В |
| Макс. рабочее напряжение UC |
|
282 В |
452 В |
| Макс.разрядный ток Imax (8/20) |
L/N |
40kA |
| Номинальный разрядный ток In (8/20) |
L/N |
20kA |
| Макс. импульс. разрядный ток Iimp (10/350) |
L/N |
3 kA |
| N/PE |
15 kA |
| Коммутируемый заряд Q |
L/N |
1,5 As |
| N/PE |
7,5 As |
| Удельная энергия W/R |
L/N |
2,3 кДж/ом |
| N/E |
50 кДж/ом |
| Уровень защиты UP при IN |
L/N |
< 1,3 кВ |
< 1,8 кВ |
| Уровень защиты UP при Iimp |
N/PE |
< 1,3 кВ |
| Напряжение разряда газоразрядника |
N/PE |
500 В ±10% |
| Сопровождающий ток Ifi |
N/PE |
< 100 Arms |
| Рекомендуемая дополнительная защита |
|
160 A gL/gG |
| Допустимый ток короткого замыкания |
|
60 kArms |
| Время срабатывания tA |
L/N |
< 25 нс |
| N/PE |
< 100 нс |
| Рабочая температура |
J |
-40 - +80oC |
| Рекомендуемое сечение присоединяемых проводов |
|
25мм2 (жесткий одножильный)
16мм2 (гибкий многожильный) |
| Степень защиты |
|
IP 20 |
| Монтаж |
|
35мм DIN рейка |
| Материал корпуса |
|
SLOVAMID 6FRC2 |
| Масса |
|
172 гр |
| Контакты дистанционной сигнализации |
|
электрическая прочность |
3,75 кВэфф |
| сопротивление изоляции |
2 x 107 Ом |
| макс. коммутируемый ток |
~ 0,5 A |
| макс. коммутируемое напряжение |
~ 250 В |
| Код по каталогу |
|
24 233
24 223 |
24 239
24 339 |
|
|
 |