 |
ООО "СВ-Технология"
630032, г. Новосибирск
Горский микрорайон, д. 47, офис 99
Тел/факс: (383) 355-81-55, 308-19-46
Тел.: (383) 292-08-44, 299-60-59
e-mail: info@sv-teh.ru
www.sv-teh.ru
|
 |
Компания "Ключевой Компонент" - К2 уверенно занимает лидирующее положение среди ведущих мировых производителей устройств для защиты электрооборудования, телекоммуникационного и другого электронного оборудования от импульсных перенапряжений и помех, а также устройств контроля изоляции в сетях с изолированной нейтралью.
|
PI-k8, PI-k16, PI-k25, PI-k32, PI-k16 DS, PI-k25 DS
Помехоподавляющие фильтры серии PI-k (8-32А) со встроенным УЗИП III класса, согласно ГОСТ Р 51992-2002 (МЭК 61643-1-98) представляют собой двухступенчатые однофазные устройства, предназначенные для защиты чувствительного электронного оборудования от высокочастотных помех и импульсных перенапряжений в низковольтных системах распределения электроэнергии переменного/ постоянного тока.
В конструкции фильтров применяются высококачественные ферромагнитные сердечники, обладающие высокой магнитной проницаемостью (m > 80000).
УЗИП выполнено по двухступенчатой схеме на варисторах (L/N) и разряднике (N/PE). Варисторы снабжены внутренними терморасцепителями, которые срабатывают при повреждении (перегреве) варисторов. Индикация состояния расцепителей осуществляется с помощью сигнальных кнопок, расположенных на корпусе устройства. Фильтры PI-k16 DS и PI-k25 DS кроме того имеют дистанционную сигнализацию состояния расцепителей (переключением «сухих» контактов).
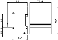
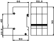
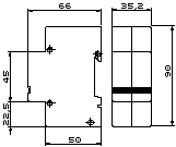
Фильтры серии PI-k (8-32А) устанавливается во вводной щит или во вторичный распределительный (этажный) щит после II ступени защиты.
*Фильтры серии PI-k (32-150А) серийно выпускаются на номинальные напряжения – 6,12,24, 48,60,80,110,120,130,160 и 230 Вольт (переменного/постоянного тока).
Рекомендуемое сечение заземляющих проводников:
| PI-k8 |
2,5 mm2 Cu |
| PI-k16 |
4 mm2 Cu |
| PI-k25 |
6 mm2 Cu |
| PI-k32 |
6 mm2 Cu |
Защищаемое оборудование рекомендуется присоединять к фильтру с помощью соответствующего экранированного кабеля.
При измерениях, производимых на электроустановке, когда методикой измерений предусматриваются испытания высокими напряжениями (например, проверка сопротивления изоляции) необходимо отключать фильтр от электроустановки. Несоблюдение этого правила приведет к искажению результатов измерения или в худшем случае к выходу из строя фильтра.

| Тип |
|
PI-k8 |
PI-k16 |
PI-k16 DS |
PI-k25 DS |
PI-k25 |
PI-k32 |
| Класс ограничителя согласно IЕС 61643-1 |
|
III |
| Номинальное рабочее напряжение |
UN |
230 В AC (DC)* |
| Макс. рабочее напряжение |
UC |
275 В AC (DC)* |
| Номинальный ток |
IN |
8A |
16A |
25A |
32A |
| Ток утечки |
IC |
2 mA |
50 мкА |
2 mA |
| Макс. импульсный разрядный ток (8/20) |
Imax |
8KA (U/N,U/PE) |
| 10KA (N/PE) |
| Уровень защиты при Imax (8/20) |
UP |
< 840 V (U/N) |
| < 500 V (N/PE) |
| Время срабатывания |
tA |
<25ns (U/N) |
| <100ns (U/PE, N/PE) |
| Рекомeндуемая дополнительная защита |
|
8A |
16A |
25A |
32A |
| Рабочая температура |
J |
- 40 — + 55oC |
| Сечение присоединительных проводов |
|
2,5 — 4 mm2 |
4 — 6 mm2 |
6 — 10 mm2 |
| Степень защиты |
|
IP20 |
| Материал корпуса |
|
SLOVAMID 6FRC2 |
| Монтаж |
|
35mm DIN рейка |
Асимметричное затухание фильтра
в полосе 0,15 - 30 Мгц |
|
мин. 80 дБ 4 MГц |
| мин.40 дБ 0,15 - 30 МГц |
| Постоянные фильтра |
Cx |
150 нФ |
220 нФ |
| Cy |
22 nF |
| L |
1,2 мГн |
1,8 мГн |
2,3 мГн |
| Потребляемая мощность |
|
<2,2 Вт |
< 3,5 Вт |
< 4 Вт |
Контакт сигнализации
(для PI-k* DS): |
|
- электрическая прочность |
3750 Bef |
| - сопротивление изоляции |
2x107W |
| - макс. коммутируемый ток |
~3A |
| - макс. коммутируемое напряжение |
~250 B |
| Вес |
m |
130 гр |
166 гр |
235 гр |
| Ресурс (час.) |
|
мин. 100 000 |
| Код по каталогу |
|
30080 |
30004 |
30027 |
30034 |
30017 |
30005 |
|
|
 |